|
|
 |
|
Наружная решетка АРН
Алюминиевые наружные решетки АРН предназначены для забора свежего воздуха и удаления загрязненного воздуха из зданий.
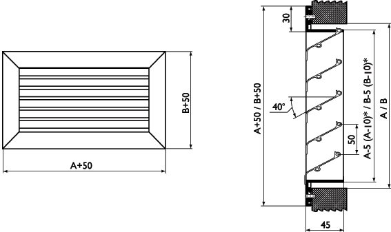
Решетки представляют собой прямоугольную раму с установленными в нее неподвижными жалюзи, форма которых обеспечивает отделение капель влаги из наружного воздуха и препятствует проникновению атмосферных осадков с улицы.
Решетки устанавливаются в стену здания при помощи самонарезающих винтов, что обеспечивает простоту и надежность монтажа.
В целях защиты от листвы, птиц и грызунов применяется специальная защитная сетка с Кж.с. = 0,9.
Решетки изготавливаются из алюминия и окрашиваются методом порошкового напыления в белый цвет (RAL 9016). При изготовлении на заказ возможна окраска в любой цвет по каталогу.
Минимальный размер решетки 150 x 150 мм, максимальный 2000 х 1950 мм, шаг - 50 мм.
Данные для подбора наружных решеток
|
Размер АхВ, м²
|
Fо, м²
|
Fж.с., м²
|
LA=25 дБ(А)
|
LA=35 дБ(А)
|
LA=45 дБ(А)
|
|
Lо, м³/ч
|
ΔPп, Па
|
Vо, м/с
|
Lо, м³/ч
|
ΔPп, Па
|
Vо, м/с
|
Lо, м³/ч
|
ΔPп, Па
|
Vо, м/с
|
|
Воздухозабор / Выброс воздуха
|
|
АРН 200х200
|
0,036
|
0,014
|
300
|
32/40
|
2,3
|
550
|
108/135
|
4,2
|
–
|
–
|
–
|
|
АРН 400х200
|
0,075
|
0,029
|
550
|
25/32
|
2,1
|
1000
|
83/104
|
3,7
|
1400
|
163/204
|
5,2
|
|
АРН 300х300
|
0,084
|
0,036
|
650
|
28/35
|
2,2
|
1100
|
79/99
|
3,6
|
1600
|
168/210
|
5,3
|
|
АРН 500х250
|
0,118
|
0,049
|
800
|
21/27
|
1,9
|
1400
|
65/82
|
3,3
|
2000
|
133/166
|
4,7
|
|
АРН 500х300
|
0,143
|
0,061
|
950
|
21/26
|
1,9
|
1600
|
58/73
|
3,1
|
2600
|
154/193
|
5,1
|
|
АРН 400х400
|
0,152
|
0,069
|
1000
|
20/25
|
1,8
|
1800
|
65/81
|
3,3
|
2700
|
146/182
|
4,9
|
|
АРН 600х300
|
0,172
|
0,074
|
1100
|
19/24
|
1,8
|
2000
|
63/78
|
3,2
|
3200
|
161/201
|
5,2
|
|
АРН 600х350
|
0,201
|
0,089
|
1250
|
18/22
|
1,7
|
2400
|
66/83
|
3,3
|
3500
|
140/175
|
4,8
|
|
АРН 700х400
|
0,270
|
0,122
|
1600
|
16/20
|
1,7
|
3000
|
57/72
|
3,1
|
5000
|
160/200
|
5,2
|
|
АРН 800х500
|
0,388
|
0,180
|
2100
|
14/17
|
1,5
|
4100
|
52/65
|
2,9
|
6800
|
142/178
|
4,9
|
|
АРН 1000х500
|
0,486
|
0,226
|
2500
|
14/15
|
1,4
|
5000
|
49/61
|
2,9
|
8000
|
125/157
|
4,6
|
Назад в раздел
|
|
|