|
|
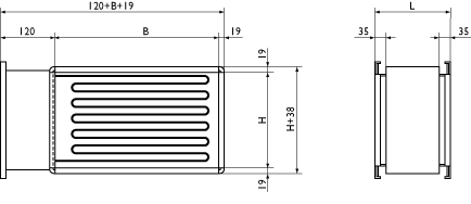
Канальные электронагреватели для прямоугольных каналов PBER
 |
|
Канальные электронагреватели для прямоугольных каналов PBER
Канальные нагреватели PBER предназначены для подогрева воздуха в воздуховодах прямоугольного сечения. Корпус и коммутационная коробка изготовлены из оцинкованного стального листа, нагревательные элементы - из нержавеющей стали. Класс защиты: IP 43.
Установка
Канальные нагреватели должны устанавливаться так, чтобы воздушный поток был направлен согласно указательной стрелке на его корпусе и был равномерным по всему сечению. Рекомендуемое расстояние от нагревателя до ближайшего изгиба канала, заслонки и т.п. должно быть не менее диагонального размера нагревателя. Нагреватели могут устанавливаться в горизонтальном или вертикальном канале. Запрещается подавать питающее напряжение на нагреватель при отключенном вентиляторе.
Регулирование мощности
Для управления мощностью нагрева рекомендуется использовать тиристорные регуляторы TTC. Если мощность нагревателя превышает допустимую мощность основного регулятора, необходимо использовать дополнительный ступенчатый регулятор.
Защита от перегрева
Канальные нагреватели PBER снабжены двумя термостатами защиты от перегрева: один с автоматическим перезапуском (температура срабатывания 55 °С), другой - с ручным перезапуском (температура срабатывания 120 °С). Канальные нагреватели рассчитаны на минимальную скорость воздушного потока 1,5 м/сек и максимальную рабочую температуру выходящего воздуха 40 °С.
Технические характеристики
|
Тип нагревателя
|
Мощность, кВт
|
Напряжение, В
|
Ток, А
|
Тиристорное управление
|
Размеры, мм
|
Вес, кг
|
|
В
|
Н
|
L
|
|
PBER 400х200/9
|
9,0
|
400/3 фазы
|
13,7
|
TTC 25
|
400
|
200
|
400
|
13
|
|
PBER 400х200/12
|
12,0
|
400/3 фазы
|
18,3
|
TTC 25
|
400
|
200
|
400
|
14
|
|
PBER 400х200/15
|
15,0
|
400/3 фазы
|
22,7
|
TTC 25
|
400
|
200
|
400
|
16
|
|
PBER 500х250/12
|
12,0
|
400/3 фазы
|
18,3
|
TTC 25
|
500
|
250
|
400
|
15
|
|
PBER 500х250/17
|
17,0
|
400/3 фазы
|
25,9
|
TTC 25
|
500
|
250
|
400
|
19
|
|
PBER 500х250/27
|
27,0
|
400/3 фазы
|
41,0
|
TTC 40 F
|
500
|
250
|
533
|
25,0
|
|
PBER 500х300/12
|
12,0
|
400/3 фазы
|
18,3
|
TTC 25
|
500
|
300
|
400
|
19
|
|
PBER 500х300/17
|
17,0
|
400/3 фазы
|
25,9
|
TTC 25
|
500
|
300
|
400
|
21
|
|
PBER 500х300/27
|
27,0
|
400/3 фазы
|
45,4
|
TTC 40 F
|
500
|
300
|
533
|
26
|
|
PBER 600х300/17
|
17,0
|
400/3 фазы
|
25,9
|
TTC 25
|
600
|
300
|
400
|
22,0
|
|
PBER 600х300/32
|
27,0
|
400/3 фазы
|
41,0
|
TTC 40 F
|
600
|
300
|
533
|
27
|
|
PBER 600х300/17
|
32,0
|
400/3 фазы
|
48,7
|
TTC 25+TTC 4/D
|
600
|
300
|
533
|
29
|
|
PBER 600х350/17
|
17,0
|
400/3 фазы
|
25,9
|
TTC 25
|
600
|
350
|
400
|
22
|
|
PBER 600х350/27
|
27,0
|
400/3 фазы
|
41,0
|
TTC 40 F
|
600
|
350
|
400
|
27
|
|
PBER 600х350/45
|
45,0
|
400/3 фазы
|
68,0
|
TTC 25+TTC 4/D
|
600
|
350
|
533
|
36
|
|
PBER 700х400/27
|
27,0
|
400/3 фазы
|
41,0
|
TTC 40 F
|
700
|
400
|
400
|
31
|
|
PBER 700х400/45
|
45,0
|
400/3 фазы
|
68,0
|
TTC 25+TTC 4/D
|
700
|
400
|
533
|
38
|
|
PBER 700х400/67
|
67,5
|
400/3 фазы
|
102,2
|
TTC 25+TTC 4/D
|
700
|
400
|
533
|
52
|
|
PBER 800х500/45
|
45,0
|
400/3 фазы
|
68,0
|
TTC 25+TTC 4/D
|
800
|
500
|
400
|
45
|
|
PBER 800х500/67
|
67,5
|
400/3 фазы
|
102,2
|
TTC 25+TTC 4/D
|
800
|
500
|
400
|
50
|
|
PBER 800х500/90
|
90,0
|
400/3 фазы
|
136,0
|
TTC 25+TTC 4/D
|
800
|
500
|
533
|
61,0
|
|
PBER 1000х500/45
|
45,0
|
400/3 фазы
|
68,0
|
TTC 25+TTC 4/D
|
1000
|
500
|
400
|
49
|
|
PBER 1000х500/67
|
67,5
|
400/3 фазы
|
102,2
|
TTC 25+TTC 4/D
|
1000
|
500
|
400
|
55
|
|
PBER 1000х500/90
|
90,0
|
400/3 фазы
|
136,0
|
TTC 25+TTC 4/D
|
1000
|
500
|
533
|
65
|
|
* Необходимо уточнять схему подключения для каждого типа нагревателя
|
Назад в раздел
|
|
|