Компактные приточно-вытяжные установки HERU
Вентиляционные установки предназначены для работы в помещениях небольших объёмов: квартирах, магазинах, офисах, мастерских и т. д. В компактном звуко-, теплоизолированном корпусе (толщина изоляции 50 мм) размещены приточный и вытяжной фильтры, приточный и вытяжной вентиляторы, роторный рекуператор. Все вентиляторы оборудованы асинхронным двигателем с внешним ротором и уплотнёнными подшипниками, что увеличивает срок их службы. Выпускается три типоразмера установок с различной производительностью вентиляторов. Установки комплектуются фильтрами приточного воздуха класса EU7. Роторный рекуператор осуществляет нагрев приточного воздуха за счёт восстановления тепла из вытяжного воздуха. КПД роторного рекуператора достигает 80%.
Установка
Установки можно монтировать в любом положении. При вертикальном размещении установки следует обеспечить такое положение материала нижнего фильтра, при котором он имел бы максимальную рабочую поверхность. Установки легко подсоединяются к воздуховодам круглого сечения. При монтаже необходимо обеспечить доступ для сервисного обслуживания оборудования и замены фильтра.
Пульт управления
Установки укомплектованы пультом управления. На контрольной панели находятся:
• 3-х ступенчатый регулятор скорости вентилятора (0–1–2–3).
• Переключатель работы роторного рекуператора (0–1).
• Индикаторы работы и загрязнённости фильтра.
Защита двигателя
Все двигатели защищены встроенными термоконтактами с автоматическим перезапуском.
Аксессуары
Быстросъёмные муфты, обратный клапан, глушитель, воздухораспределительные и защитные решётки, и т. д.
Технические характеристики
|
Тип установки HERU
|
75
|
130
|
180
|
|
Напряжение, В/Гц
|
230/50
|
230/50
|
230/50
|
|
Ток, А
|
1,10
|
1,40
|
1,80
|
|
Номинальная мощность, Вт
|
235
|
326
|
414
|
|
Вес, кг
|
63
|
100
|
136
|
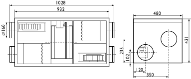
Размеры, мм
|
Тип установки
|
a
|
b
|
c
|
Ød
|
e
|
f
|
g
|
l
|
l1
|
|
HERU 75
|
480
|
520
|
102
|
160
|
120
|
350
|
235
|
970
|
1050
|
|
HERU 130
|
575
|
605
|
173
|
200
|
143
|
412
|
286
|
1131
|
1225
|
|
HERU 180
|
683
|
680
|
196
|
250
|
159
|
492
|
340
|
1250
|
1325
|
|
_
HERU 50 / 75
|
 |
|
HERU 200
|
 |
Шумовые характеристики
|
Тип установки
|
LpA, дБ(А)
|
LwA tot
|
LwA
|
|
63
|
125
|
250
|
500
|
1000
|
2000
|
4000
|
8000
|
|
HERU 75
|
К входу
|
55
|
62
|
46
|
57
|
55
|
57
|
46
|
41
|
3
|
20
|
|
К выходу
|
69
|
76
|
57
|
63
|
68
|
72
|
68
|
66
|
61
|
50
|
|
К окружению
|
44
|
51
|
34
|
44
|
48
|
46
|
37
|
35
|
32
|
28
|
|
HERU 130
|
К входу
|
57
|
64
|
54
|
58
|
60
|
56
|
50
|
41
|
31
|
17
|
|
К выходу
|
70
|
77
|
62
|
67
|
69
|
72
|
70
|
67
|
63
|
54
|
|
К окружению
|
42
|
49
|
33
|
40
|
45
|
42
|
37
|
35
|
3
|
26
|
|
HERU 180
|
К входу
|
52
|
59
|
48
|
53
|
54
|
52
|
45
|
37
|
34
|
27
|
|
К выходу
|
70
|
77
|
53
|
60
|
64
|
75
|
70
|
68
|
63
|
57
|
|
К окружению
|
43
|
50
|
43
|
44
|
44
|
44
|
39
|
38
|
35
|
31
|
LwAtot – общий уровень шума (дБ);
LwA – уровень шума в октавном диапазоне (дБ);
Lpa – уровень звукового давления (дБ) от вентилятора, работающего при максимальной нагрузке в помещении с нормальным звукопоглощением и эквивалентной зоной поглощения 20 м² на расстоянии 3,0 м.
Монтаж
- Все установки поставляются полностью в собранном виде, готовые к подключению.
- Электрическое подключение и монтаж должны выполняться только квалифицированным
персоналом в соответствии с инструкцией по монтажу.
- Электрические параметры должны соответствовать спецификации на табличке установки.
- Вся электропроводка и соединения должны быть выполнены в соответствии с правилами
технической безопасности.
- Электрическое подключение должно выполняться в соответствии со схемой подключения,
приведенной в клеммной коробке, согласно маркировке клемм.
- Установки должны быть заземлены.
- Установки должны быть установлены в соответствии с направлением потока воздуха.
- Установки должны быть смонтированы таким образом, чтобы имелся доступ для безопасного обслуживания.
Условия работы
- Установки не должны эксплуатироваться во взрывоопасных помещениях, недопустимо
соединение с дымоходами.
- Установки не допускается использовать для перемещения взрывчатых газов, пыли, сажи, муки и т.п.
- Установки предназначены для непрерывной работы. Не рекомендуется производить частое
включение и выключение вентиляторов.
- Проблемы, связанные с шумом, могут быть устранены с помощью использования шумоглушителя
(один из поставляемых аксессуаров).
Обслуживание
Единственное требуемое обслуживание – очистка. Рекомендуется производить осмотр и очистку фильтра каждый месяц, а вентилятора каждые шесть месяцев непрерывной эксплуатации для предотвращения разбалансировки или преждевременного выхода из строя.
Перед обслуживанием убедитесь, что:
- Прекращена подача напряжения.
- Рабочее колесо вентилятора полностью остановилось.
- Двигатель и рабочее колесо полностью остыли.
При очистке вентилятора:
- Не используйте агрессивные моющие средства, острые предметы и устройства, работающие под
высоким давлением.
- Следите, чтобы не нарушалась балансировка рабочего колеса вентилятора и отсутствовали его перекосы.
- В случае ненормально высокого шума работы вентилятора проверьте рабочее колесо на перекос.
- Подшипники, в случае повреждения, подлежат замене.